欢迎访问无锡港大电机有限公司网站!
企业荣誉list center

全国服务热线

0510-85312598

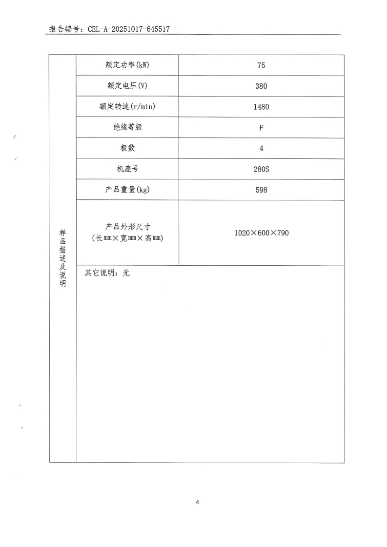
YBX5 280S-4 检测报告

作者: 发布时间:25-11-18 点击:80


相关资讯